UF-(STD、FM、FB)型單機布袋除塵器
一、概述:
UF單機布袋除塵器(UnI-Filter)系引進美國富樂(Fuller)公司,具有新世紀技術水平的小型單機布袋除塵器。這種小型單機布袋除塵器與國內其他單機相比,經濟實用、結構簡單緊湊、安裝容易、維護方便(內濾式),主要用于各種庫頂,庫底、倉頂及各種輸送設備等排放揚塵點的收塵,在多機組合時,又可用小型磨機,破碎機等連續工作線上作為除塵設備。該機組采用滌綸編制布制組合袋(Polyester Wouen),入口溫度<120℃,在入口濃度100g/Nm3出口排放濃度<100mg/Nm3,如有特殊用途的地方,也可提供不銹鋼制成鋁制結構,_耐溫濾料的單機布袋除塵器。
二、單機布袋除塵器的構造:

圖 1 序號 | 名稱 | 序號 | 名稱 | 1 | 風機 | 7 | 濾袋套箍 | 2 | 風機配用電機 | 8 | 出風管 | 3 | 搖動軸 | 9 | 搖動電機 | 4 | 除塵布袋 | 10 | 曲桿 | 5 | 殼體 | 11 | 搖動連桿 | 6 | 檢修門 | 12 | 下花板 |
基本結構由圖1所示,它主要由以下部分組成:
(1)箱體:包括⑤殼體④濾袋⑥檢修門⑦濾袋套箍,花板,箱體設計耐壓2500Pa;
(2)出風系統包括:①風機②風機配用電機及傳動;
(3)搖動機構包括:⑨搖動用減速電機⑩曲桿,搖動連桿③搖動軸(或稱濾袋懸掛軸);
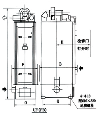
(4)進氣和排灰部分:可分為三種,如圖2所示,①UF(FM)型如圖所示,下部為敞開式,清灰時粉塵直接從花板卸出進入庫、倉等。花板法蘭直接座在庫、倉排氣口,排氣直接通過花板孔,進入濾袋。②UF(STD)可下接灰斗,主要用庫底及輸送設備的揚塵點。③UF(FB)型帶有儲灰箱,主要用于濃度不高的通風口氣體凈化。
三、工作原理:
含塵氣體由進氣口進入灰斗或儲灰箱,通過花板孔或直接通過花板孔三種方式進入濾袋。如圖2a、b、c所示,含塵氣體透過濾袋變為凈氣,進入箱體,再經箱體上部排氣口,由風機排走。粉塵積附在濾袋的內表面,且不斷增加,使袋收塵器的阻力不斷上升。當阻力上升到1500—2000Pa時為了使袋收塵器繼續工作,需定期_濾袋上的粉塵。具體清灰時,首先關閉頂上風機,搖動電機上偏心作用,帶動連桿,使搖動軸左右來回轉動,濾袋_呈波紋狀態,使粉塵掉下,卸出。清灰狀態如圖3所示。 
圖3 待清灰完既停止抖動后,重新啟動風機,使收塵器重新開始工作,上述動作是通過控制儀來自動控制完成的。再運行中如果發現排氣口有大量粉塵逸出。即可能有破袋,需既是更換。由于箱體內是透過濾袋的干凈氣體,人們檢查換袋時可打開檢修門直接進入室內。
四、選型:
(一)型號說明
UF單機布袋除塵器有2、3、4、5、6、7六個規格,其中2、3、4每種有三種安裝形式,5、6、7有兩種安裝形式,以滿足不同場合的使用要求。在需要連續運轉時,可采用多機組合形式,型號說明如下:
U F(STD) m n: U表示單機(Unit), F表示除塵器(Futey),
(FB)表示安裝形式, m表示規格號, n表示多機組合時的單元數
STD:安裝形式為Standand標準型,帶灰斗和支架,灰斗下接卸料器,翻板閥等卸灰裝置。進風口方向可按用戶要求朝向四方。
FM:安裝形式為FlangMounted,既底部敞開,法蘭直接安裝在料倉或庫頂部。
FB:安裝形式為Bor,即底部帶平底儲灰箱。
性能表外型尺寸
| 規格 | UF- 2 | UF-3 | UF-4 | UF-5 | UF-6 | UF-7 | 項目 | 處理風量(m3/h) | _ | 1360 | 2720 | 4080 | 5450 | 6800 | 8160 | 額定 | 1020 | 2040 | 3060 | 4080 | 5100 | 6120 | 收塵器阻力(Pa)全壓 | _ | 1920 | 1900 | 1800 | 1920 | 1900 | 2030 | 額定 | 1500 | 1750 | 1500 | 1845 | 1720 | 1820 | 總過濾面積(m2) | 18.6 | 37.2 | 55.7 | 74.3 | 92.9 | 111.5 | 濾袋組數 | 8 | 16 | 24 | 32 | 40 | 48 | 風機電機型號 | Y90S-2 | Y90S-2 | Y112M-2 | Y132S1-2 | Y132S1-2 | Y132S1-2 | 搖動電機型號 | YCJ71 | 風機型號 | U、11 | 110、1E | 110、1E | 170、1E | 170、1E |
| 卸灰閥電機型號 | XWD.55-2-1/29 | 風機電機功率(KW) | 1.5 | 2.2 | 4.0 | 5.5 | 5.5 | 7.5 | 搖動電機功率(KW) | 0.55 | 0.55 | 0.55 | 0.75 | 0.75 | 0.75 | 卸灰閥電機功率(KW) | 0.55 | 0.55 | 0.55 | 0.55 | 0.55 | 0.55 | 設備重量Kg
(參考) | UF(STD) | 850 | 1160 | 1400 | 1710 | 1820 | 1985 | UF(FM) | 400 | 700 | 1000 | 1225 | 1315 | 1445 | UF(FB) | 460 | 770 | 1500 | 無 | 無 | 無 |
注:1、a表中卸灰閥為剛性葉輪下料器(卸料器),僅UF(STD)形式有,UF(FM)、UF(FB)無需卸灰閥(也可采用其它卸灰閥)。
b表中所列重量包括風機卸灰閥的重量,在向土建提荷載時,需乘上動荷載系數1.9,即每臺除塵器荷載為:總重量×2。(荷載系數包括機動荷載和粉塵荷載)。
2、外形尺寸(外形圖見后面附圖)。
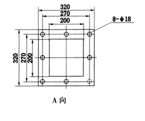
外 型 尺 寸: 規格號 | A | B | C | D | E | F | G | H | I | J | 2 | 816 | 1067 | 4620 | 150 | 2520 | 865 | 2990 | 1130 | 730 | 1036 | 3 | 1426 | 1067 | 5168 | 200 | 2800 | 1475 | 3275 | 1130 | 994 | 1040 | 4 | 2032 | 1067 | 5715 | 250 | 2800 | 2081 | 3278 | 1130 | 1521 | 1096 | 5 | 1426 | 2134 | 6195 | 300 | 3250 | | | 1600 | 1521 | 1090 | 6 | 1728 | 2134 | 6195 | 350 | 3250 | | | 1600 | 1521 | 1090 | 7 | 2032 | 2134 | 6145 | 400 | 3250 | | | 1600 | 1521 | 1373 |
規格號 | K | L | M | O | P | Q | R | S | T | U | 2 | 178 | 636 | 2070 | 768 | 940 | 890 | 815 | 9 | 1016 | 22 | 3 | 203 | 1246 | 2070 | 1373 | 940 | 890 | 1120 | 9 | 1016 | 20 | 4 | 228 | 1854 | 2070 | 1990 | 940 | 890 | 1120 | 18 | 1016 | 20 | 5 | 254 | 1246 | 2070 | | 1354 | | 2032 | 18 | 1930 | 26 | 6 | 280 | 1550 | 2070 | | 1854 | | 2032 | 18 | 1930 | 26 | 7 | 305 | 1854 | 2070 | | 1854 | | 2032 | 18 | 1930 | 26 |
規格號 | V | W | X | Y | Z | u | g | e | f | h(兩個方向) | 2 | 83 | 710 | 1120 | 16 | 38 | 20 | 122 | 17 | 108 | 610# | #*508 | 3 | 90 | 1320 | 1426 | 12 | 50 | 23 | 203 | 264 | 264 | 610 | 701 | 4 | 90 | 1920 | 2032 | 18 | 64 | 26 | 203 | 264 | 264 | 610 | 1016 | 5 | 90 | 1320 | 1426 | 12 | 68 | 23 | 362 | 378 | 378 | 1016 | 710 | 6 | 90 | 1622 | 1728 | 15 | 74 | 24 | 362 | 378 | 378 | 1016 | 864 | 7 | 90 | 1930 | 2032 | 18 | 80 | 26 | 362 | 378 | 378 | 1016 | 1016 |
(二)電氣控制裝置選型參考資料:
1、控制裝置的功能和類型:
控制器分為單片機控制和時間繼電器控制兩種形式。
(1)單片機控制:
對現場有多臺單機除塵器或多單元組合式除塵器需同時集中控制時采用單片機選行集中控制。控制可分為自動、手動控制兩種方式。在實施自動控制時,可利用外部線路的2個鈕子開關(置不同位置)輸入不同信號。提供4組不同時間的控制參數,來滿足工藝設計和現場工況的要求,實現定時自動控制,若單片機出現故障或檢修時,可隨時切換為手動控制。為了便于調試和檢修還設有機旁控制。
(2)時間繼電器控制:
對現場只有一臺或兩臺單機除塵器單獨控制時,采用時間繼電器實施定時控制,控制方式分為自動,手動控制兩種方式。
(3)控制裝置的類型:
根據控制要求可分為:單獨控制1臺、2臺,集中控制4臺、6臺和多單元組合式幾種形式,對只要求單獨控制1臺、2臺時,采用繼電器控制,對要求集中控制4、6臺和組合式時采用單片機控制。
2、控制器的外型安裝方式:
根據控制對象的多少可分為落地柜式和懸掛的箱式兩種。
(1)控制柜外型尺寸:
集中控制4臺時 1600×600×400 (高×寬×厚)
集中控制6臺時 1800×650×400 (高×寬×厚)
控制柜為前單開門,反雙開門。
安裝方式,落地安裝在控制室,柜后離墻距離_>700
控制室要求:通風光線明亮避免陽光直接照射控制柜。對高寒地區控制室內要考慮取暖設備。
(2)箱式控制箱外型尺寸:
1臺(高×寬×厚)500×400×250
2臺(高×寬×厚)700×450×250
安裝方式:懸掛安裝在庫底合適位置。
要求:防雨、避免較大震動
(3) 對外接線端子1臺:
2臺-6臺對外接線, 端子是1臺對外接線端子的重復(電源進線除外),因此根據不同臺數在1臺的基礎上進行組合,即可滿足控制要求。
兩臺以上組合式的對外出線端子,此端子是一臺除塵器的輸入輸出,多臺組合只須按此輸入輸出端子重復(電源進線除外)。
五、其它
1.一般情況下,單機布袋除塵器在出廠前,已將風機,電機,減速電機,搖動機構,灰斗,卸灰閥及支承架等全部組裝好,現場只需_位即可。
2.對于比較大的規格,或其它特殊要求時,可以箱體、灰斗,支承架等分散件提給用戶,在現場裝配。同時,制造廠應提供裝配圖紙和說明。
3.在除塵器及系統安裝完,應_所有連接處嚴密。 |